
Raudteerong 60 kg terasest raskeraudtee
GB 60 kg rööp on laialdaselt kasutatav standardrööp raskeveokite{1}}raudteeliinidel ja tööstustranspordisüsteemides. See on valmistatud ülitugevast süsinik-mangaanisulamist terasest ning pakub suurepärast painde-, nihke- ja kulumiskindlust.
Toote tutvustus
GB/T 2585 standard60kg raudtee raskeraudteeon ülitugev{0}}rööp, mis on spetsiaalselt loodud raskeveokite-raudteeliinide ja tööstuslike transpordisüsteemide jaoks. Selle profiil on loodud tasakaalustama koormust-kandevõimet ja konstruktsiooni stabiilsust, optimeeritud pea laiuse, raami paksuse ja aluse laiusega, et taluda tõhusalt rongide või tööstussõidukite tugevaid lööke, tagades transpordiohutuse ja sujuva rööbastee töö.

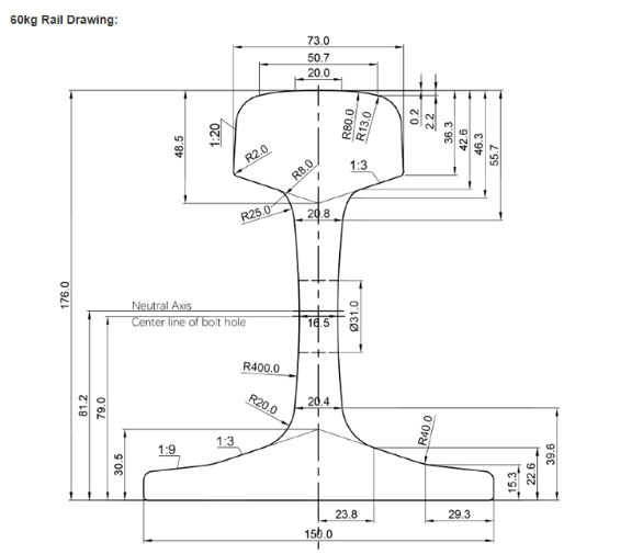
Hiina standardse 60 kg rööpa spetsifikatsioonid
- Põhja laius: 150 mm
- Võrgu paksus: 16,5 mm
- Pea laius: 73 mm
- Rööpa kõrgus: 176 mm
- Materjal: 50Mn, U71Mn
- Pikkus: 6-12, 12,5-25m või vastavalt vajadusele kohandatud pikkused
- Kaal: 60,64kg/m
- Standard: GB2585-2007 Raskeraudtee
Kui teil on erinõuded pikkusele või tugevamatele materjalidele, võtke meiega ühendust eritellimusel tootmiseks.
60KG terasrööpa materjal ja konstruktsiooniomadused
60 kg raske rööp on valmistatudU71Mnkõrge-mangaanterasest, millel on kõrge löögikindlus ja suurepärane väsimuskindlus. Rööpapeal on ühtlane kõvadus ja sile, tasane jooksupind, mis vähendab tõhusalt veerehõõrdumist ja kulumist. Selle lai ja paks rööpapõhi suurendab kontaktpinda liipritega, suurendades rööbasteesüsteemi üldist stabiilsust. Rööpa sisemine struktuur on ühtlane ja tihe ning seda testitakse ultraheliga ja magnetosakesi kontrollitakse, et veenduda, et sellel pole sisemisi pragusid ega defekte, parandades sellega pikaajalist{4}}töökindlust.


Toote rakendus
60 kg kaaluvat raudtee rasket raudteed kasutatakse laialdaselt raskeveokite-magistraalraudteedel, kaevandustranspordiliinidel, sadamate käitlusteedel ja suurtes-tööstuslikes transpordisüsteemides. Selle suurepärane löögikindlus ja vastupidavus väsimusele võimaldavad rööpal säilitada täpse rööpmelaiuse ja sujuva töö pikaajalistes-kasutamistingimustes ja suure sagedusega{5}}transporditingimustes, tagades transpordiohutuse.

GNEE RAILon kogenud raudtee eksporditeenuse pakkuja, kes pakub kõiki teenuseidQU kraana rööpad, GB rasked rööpad ja GB kergrööpadklientidele kogu maailmas. Peame rangelt kinni tööstusharu töötlemisstandarditest, kontrollides kvaliteeti kogu tootmisprotsessi jooksul-alates materjali valikust kuni lõpliku valmistamiseni-, et tagada toote stabiilsus ja ühilduvus. Vastavusnõuete täitmiseks saab esitada täielikud materjalisertifikaadid, mis annab teile kindlustunde hankes. Konkreetseid vajadusi, nagu rööpa läbimõõt või minimaalne tellimiskogus, saab vastavalt teie vajadustele paindlikult kohandada. Meie professionaalne meeskond pakub täielikku-tsüklilist tuge, vastates küsimustele viivitamatult ja tagades sujuva töö igas etapis, koos jätkuva järelmeetmetega, et vastata jooksvatele nõudmistele. Võtke meiega ühendust, et arutada oma nõudeid-oleme teie usaldusväärseks partneriks.



Kuum tags: raudteerong 60kg terasest raskeraudtee, Hiina raudteerong 60kg terasest raskeraudtee tootjad, tarnijad, tehas
Küsi pakkumist










